

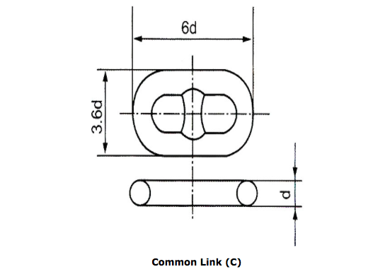
Anchor chain accessories:


Swivel shackle

End Shackle

Structure:


Specification:
|
TESTING LOAD OF STUD LINK ANCHOR CHAIN AND ACCESORIES
|
|||||
|
Diameter
|
Proof Load
|
Breaking Load
|
Approx.mass
(27.5m) |
||
|
Grade 2
|
Grade 3
|
Grade 2
|
Grade 3
|
||
|
mm
|
KN
|
KN
|
KN
|
KN
|
Kg
|
|
12.5
|
66
|
92
|
92
|
132
|
98
|
|
14
|
82
|
116
|
116
|
165
|
122
|
|
16
|
107
|
150
|
150
|
216
|
161
|
|
17.5
|
127
|
179
|
179
|
256
|
193
|
|
19
|
150
|
211
|
211
|
301
|
227
|
|
20.5
|
175
|
244
|
244
|
349
|
264
|
|
22
|
200
|
280
|
280
|
401
|
305
|
|
24
|
237
|
332
|
332
|
476
|
362
|
|
26
|
278
|
389
|
389
|
556
|
425
|
|
28
|
321
|
449
|
449
|
642
|
493
|
|
30
|
368
|
514
|
514
|
735
|
566
|
|
32
|
417
|
583
|
583
|
833
|
644
|
|
34
|
468
|
655
|
655
|
937
|
727
|
|
36
|
523
|
732
|
732
|
1050
|
815
|
|
38
|
581
|
812
|
812
|
1160
|
909
|
|
40
|
640
|
896
|
896
|
1280
|
1007
|
|
42
|
703
|
981
|
981
|
1400
|
1110
|
|
44
|
769
|
1080
|
1080
|
1540
|
1218
|
|
46
|
837
|
1170
|
1170
|
1680
|
1331
|
|
48
|
908
|
1270
|
1270
|
1810
|
1450
|
|
50
|
981
|
1370
|
1370
|
1960
|
1573
|
|
52
|
1060
|
1480
|
1480
|
2110
|
1701
|
|
54
|
1140
|
1590
|
1590
|
2270
|
1835
|
|
56
|
1220
|
1710
|
1710
|
2430
|
1973
|
|
58
|
1290
|
1810
|
1810
|
2600
|
2117
|
|
60
|
1380
|
1940
|
1940
|
2770
|
2265
|
|
62
|
1470
|
2060
|
2060
|
2940
|
2419
|
|
64
|
1560
|
2190
|
2190
|
3130
|
2577
|
|
66
|
1660
|
2310
|
2310
|
3300
|
2741
|
|
68
|
1750
|
2450
|
2450
|
3500
|
2909
|
|
70
|
1840
|
2580
|
2580
|
3690
|
3080
|
|
73
|
1990
|
2790
|
2790
|
3990
|
3353
|
|
76
|
2150
|
3010
|
3010
|
4300
|
3634
|
|
78
|
2260
|
3160
|
3160
|
4500
|
3828
|
|
81
|
2410
|
3380
|
3380
|
4820
|
4128
|
|
84
|
2580
|
3610
|
3610
|
5160
|
4440
|
|
87
|
2750
|
3850
|
3850
|
5500
|
4762
|
|
90
|
2920
|
4090
|
4090
|
5840
|
5097
|
|
92
|
3040
|
4260
|
4260
|
6080
|
5326
|
|
95
|
3230
|
4510
|
4510
|
6440
|
5679
|
|
97
|
3340
|
4680
|
4680
|
6690
|
5920
|
|
100
|
3530
|
4940
|
4940
|
7060
|
6292
|
|
102
|
3660
|
5120
|
5120
|
7320
|
6546
|
|
105
|
3850
|
5390
|
5390
|
7700
|
6937
|
|
107
|
3980
|
5570
|
5570
|
7960
|
7204
|
|
111
|
4250
|
5940
|
5940
|
8480
|
7752
|
|
114
|
4440
|
6230
|
6230
|
8890
|
8177
|
|
117
|
4650
|
6510
|
6510
|
9300
|
8613
|
|
120
|
4850
|
6810
|
6810
|
9720
|
9060
|
|
122
|
5000
|
7000
|
7000
|
9990
|
9360
|
|
124
|
5140
|
7200
|
7200
|
10280
|
9675
|
|
127
|
5350
|
7490
|
7490
|
10710
|
10148
|
|
130
|
5570
|
7800
|
7800
|
11140
|
10635
|
|
132
|
5720
|
8000
|
8000
|
11420
|
10965
|
|
137
|
6080
|
8510
|
8510
|
12160
|
11810
|
|
142
|
6450
|
9030
|
9030
|
12910
|
12690
|
|
147
|
6840
|
9560
|
9560
|
13660
|
13600
|
|
152
|
7220
|
10100
|
10100
|
14430
|
14500
|
|
157
|
7600
|
10640
|
10640
|
15200
|
15520
|
|
162
|
7990
|
11180
|
11180
|
15980
|
16530
|
![[!--classname--]](/d/file/bf31218078825581b5665b7a453f8fd0.jpg)
![[!--classname--]](/d/file/2e4e63212e3186dc22a6e155df9562f2.jpg)
![[!--classname--]](/d/file/88625f2e1fc8af473ef81ee6d81a22bb.jpg)
![[!--classname--]](/d/file/cb6a422c5c201167776cb4b10fc7e974.jpg)
![[!--classname--]](/d/file/5207b99428c2aa482faa633f5974a89d.jpg)
![[!--classname--]](/d/file/bb8737a8f9558480d528571e04c3f5c9.jpg)
![[!--classname--]](/d/file/68b8b0ac5e3ee43c3003d1dc306d12f8.jpg)
![[!--classname--]](/d/file/9f20f44f908a97248f406486657c0e06.jpg)
![[!--classname--]](/d/file/eb7018886bec8709598ec0a6e563ab29.jpg)
![[!--classname--]](/d/file/75a2e99101efde4e9efc293584d1a3d9.jpg)
![[!--classname--]](/d/file/d0b7696b742272523c19a21f2eb50429.jpg)
![[!--classname--]](/d/file/27e07055fa0e4f15e8c9298d624b2df4.jpg)
![[!--classname--]](/d/file/741c9c97461e989a2b117f713c92853a.jpg)
![[!--classname--]](/d/file/48421cc861d71c69355b31af93b3bc1f.jpg)
![[!--classname--]](/d/file/b0a999c2cde3d117bba6618eacb31ca5.jpg)
![[!--classname--]](/d/file/3b2de91e15175410d147050cd0cc50b5.jpg)
![[!--classname--]](/d/file/9f7aec47017b28b6cf239eb6732d8eb8.jpg)
![[!--classname--]](/d/file/ea19a334cc1c12e3a7c2071746fca71f.jpg)
![[!--classname--]](/d/file/3fbfa351235c3723a200e749c7d21739.jpg)
![[!--classname--]](/d/file/297033a5b0a027e25537bd0039140204.png)
![[!--classname--]](/d/file/7f87118971200e4733722aeb9abcd4c5.jpg)
![[!--classname--]](/d/file/6d3de0de2504dd2a3dae13e8ccf108e8.jpg)
![[!--classname--]](/d/file/8c871ef5339076b2f7d4a5b7c8ee6404.jpg)
![[!--classname--]](/d/file/6ab9a3431bfb1eb3325576ab4c44371b.jpg)
![[!--classname--]](/d/file/4794b7230a8ecffb4e243a016fe62f71.jpg)
![[!--classname--]](/d/file/d76246e762627adf25dde5374a783462.jpg)
![[!--classname--]](/d/file/19e4a8ee50124152159ea64d58df5ac7.png)
![[!--classname--]](/d/file/763d3abf46279615b5aba6fc77a469a5.jpg)






